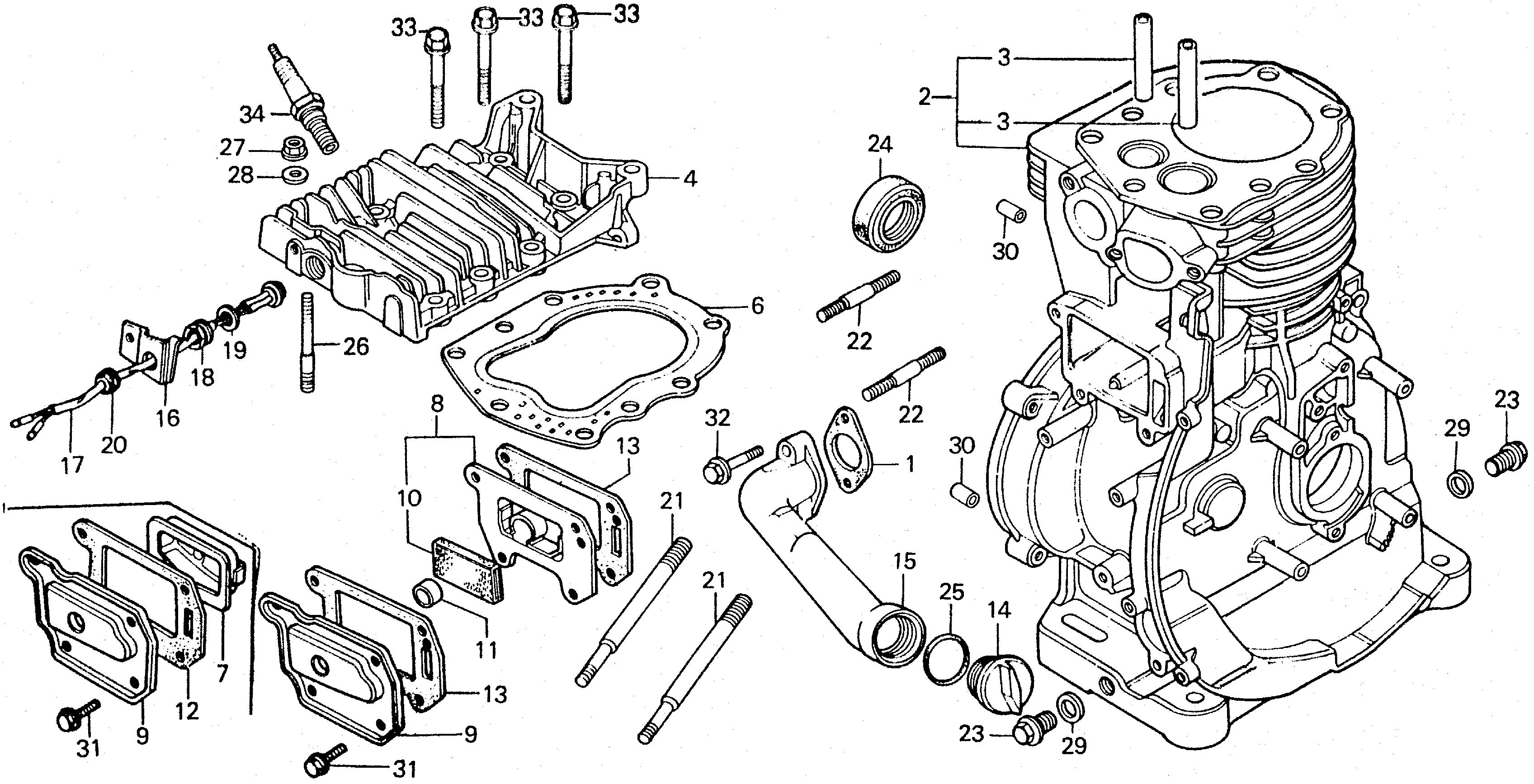
Generators E E3500 E3500K1 A E3500-1100021-1129668 CYLINDER HEAD@CYLINDER - D & J Equipment Inc

Ref No
Part Number
Description
Serial Range
Qty
Price

Ref No
1
Part Number
11211-822-000
Description
GASKET, OIL PAN HOLE COVER (NOT AVAILABLE)
Serial Range
1000001 - 9999999

Ref No
2
Part Number
12100-890-325
Description
CYLINDER (CRANKSHAFT P.T.O.)
Serial Range
1000001 - 1095397

Ref No
2
Part Number
12100-890-335
Description
CYLINDER (CRANKSHAFT P.T.O.) (NOT AVAILABLE)
Serial Range
1095398 - 9999999

Ref No
3
Part Number
12134-890-305
Description
GUIDE, VALVE
Serial Range
1095398 - 9999999
Qty
Price
$9.16

Ref No
4
Part Number
12221-890-305
Description
CYLINDER HEAD (NOT AVAILABLE)
Serial Range
1000001 - 9999999

Ref No
6
Part Number
12281-890-010
Description
GASKET, CYLINDER HEAD (NOT AVAILABLE)
Serial Range
1000001 - 9999999

Ref No
7
Part Number
12360-889-010
Description
CASE, BREATHER
Serial Range
1000001 - 9999999

Ref No
9
Part Number
12361-890-000
Description
COVER, TAPPET ROOM (NOT AVAILABLE)
Serial Range
1213315 - 9999999

Ref No
12
Part Number
12375-ZA1-000
Description
GASKET, TAPPET COVER
Serial Range
1213315 - 9999999

Ref No
12
Part Number
12375-ZA1-000
Description
GASKET, TAPPET COVER
Serial Range
1213315 - 9999999

Ref No
14
Part Number
15611-921-000
Description
CAP, OIL (YELLOW)
Serial Range
1213315 - 9999999
Qty
Price
$13.48

Ref No
15
Part Number
15632-890-000
Description
PIPE, OIL
Serial Range
1000001 - 1088149

Ref No
15
Part Number
15632-890-010
Description
PIPE, OIL (NOT AVAILABLE)
Serial Range
1088150 - 9999999

Ref No
21
Part Number
90042-890-010
Description
BOLT, STUD (8X110)
Serial Range
1000001 - 1091034
Qty
Price
$7.96

Ref No
21
Part Number
90042-890-680
Description
BOLT, STUD (8X104)
Serial Range
1091035 - 9999999
Qty
Price
$8.28

Ref No
22
Part Number
90047-883-000
Description
BOLT, STUD (8X35)
Serial Range
1091035 - 9999999
Qty
Price
$4.86

Ref No
23
Part Number
90131-896-650
Description
BOLT, DRAIN PLUG (12X15)
Serial Range
1000001 - 9999999

Ref No
24
Part Number
91201-890-003
Description
OIL SEAL (30X46X8)
Serial Range
1000001 - 9999999
Qty
Price
$11.30

Ref No
25
Part Number
91301-805-000
Description
O-RING (26X2.7)
Serial Range
1000001 - 9999999
Qty
Price
$4.86

Ref No
29
Part Number
94109-12000
Description
WASHER, DRAIN PLUG (12MM)
Serial Range
1269742 - 9999999
Qty
Price
$1.50

Ref No
30
Part Number
94301-08140
Description
PIN, DOWEL (8X14)
Serial Range
1000001 - 9999999
Qty
Price
$2.74

Ref No
31
Part Number
95701-06012-08
Description
BOLT, FLANGE (6X12)
Serial Range
1000001 - 9999999
Qty
Price
$2.04

Ref No
32
Part Number
95700-06025-08
Description
BOLT, FLANGE (6X25)
Serial Range
1000001 - 9999999
Qty
Price
$2.20

Ref No
32
Part Number
95701-06025-08
Description
BOLT, FLANGE (6X25)
Serial Range
1000001 - 9999999
Qty
Price
$2.20

Ref No
33
Part Number
95730-10055-08
Description
BOLT, FLANGE (10X55)
Serial Range
1000001 - 9999999
Qty
Price
$2.60

Ref No
34
Part Number
98076-54716
Description
SPARK PLUG (BR-4HS) (NGK)
Serial Range
1269742 - 9999999
Qty
Price
$2.98