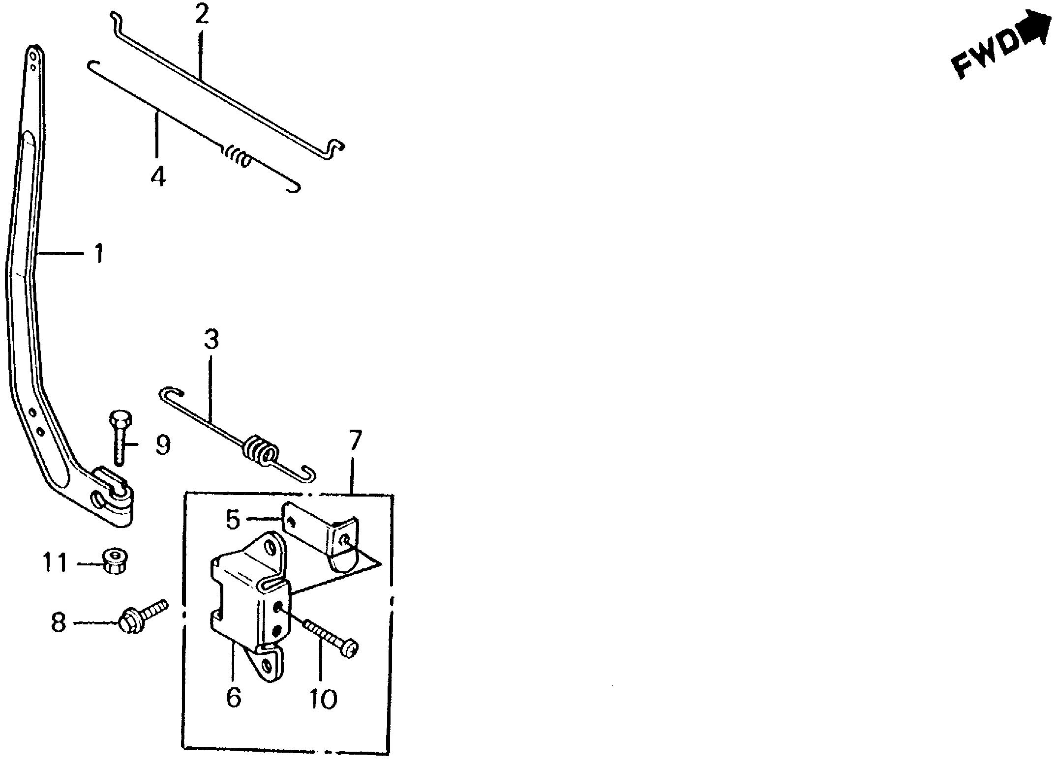
Generators EM EM1800 EM1800 A GE200-1000001-9999999 GOVERNOR ARM@CONTROL - D & J Equipment Inc

Ref No
Part Number
Description
Serial Range
Qty
Price

Ref No
1
Part Number
16551-898-000
Description
ARM, GOVERNOR (NOT AVAILABLE)
Serial Range
1000001 - 9999999

Ref No
2
Part Number
16555-883-010
Description
ROD, GOVERNOR
Serial Range
1000001 - 9999999

Ref No
3
Part Number
16561-898-000
Description
SPRING, GOVERNOR
Serial Range
1000001 - 9999999
Qty
Price
$5.62

Ref No
4
Part Number
16562-883-010
Description
SPRING, THROTTLE RETURN
Serial Range
1000001 - 9999999
Qty
Price
$4.64

Ref No
5
Part Number
16571-898-000
Description
PLATE, CONTROL
Serial Range
1000001 - 9999999
Qty
Price
$4.66

Ref No
6
Part Number
16573-898-000
Description
BASE, CONTROL
Serial Range
1000001 - 9999999

Ref No
7
Part Number
16580-898-000
Description
CONTROL ASSY. (NOT AVAILABLE)
Serial Range
1000001 - 9999999

Ref No
8
Part Number
90013-883-000
Description
BOLT, FLANGE (6X12) (CT200)
Serial Range
1000001 - 9999999

Ref No
9
Part Number
92101-06020-0A
Description
BOLT, HEX. (6X20)
Serial Range
1000001 - 9999999

Ref No
10
Part Number
93500-06028-0A
Description
SCREW, PAN (6X28)
Serial Range
1000001 - 9999999

Ref No
11
Part Number
94050-06080
Description
NUT, FLANGE (6MM)
Serial Range
1000001 - 9999999