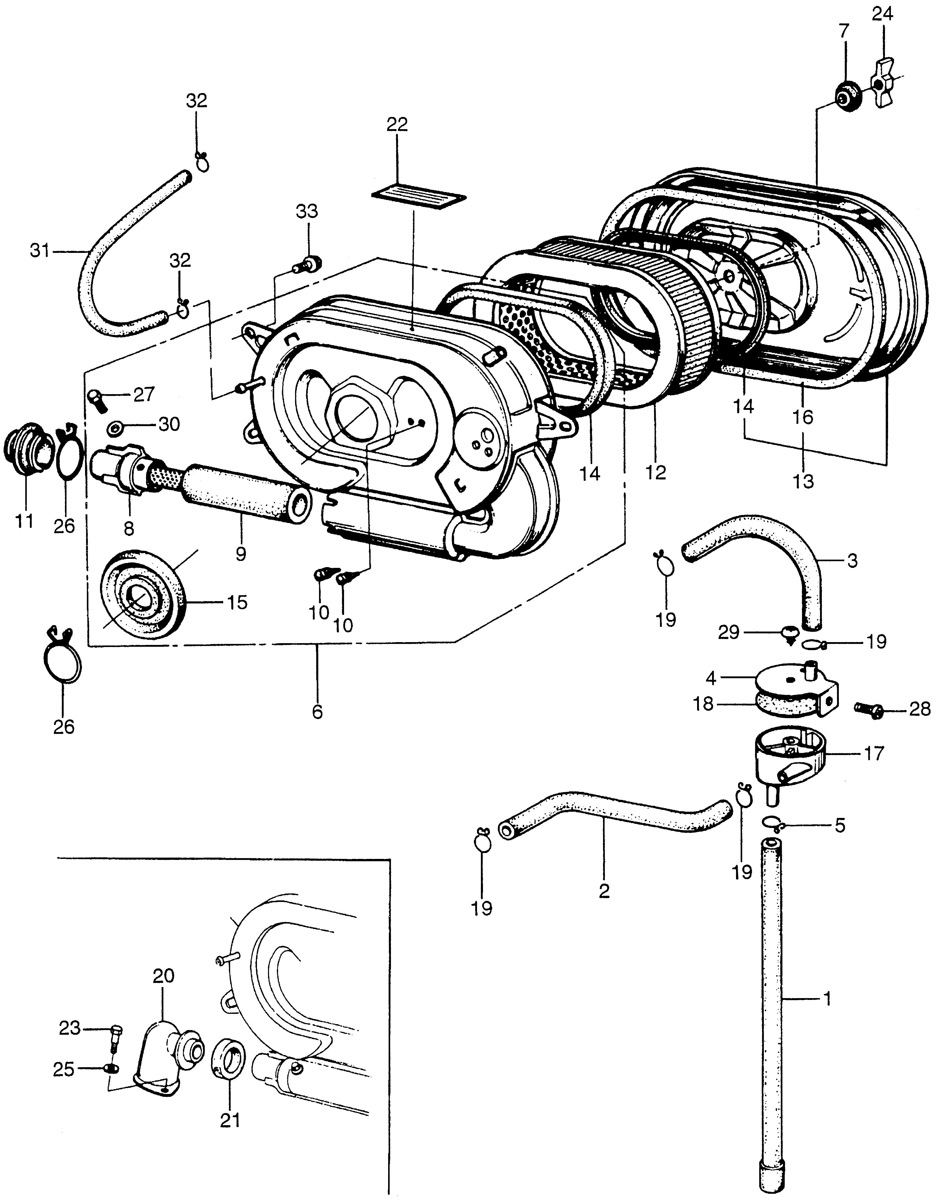
Generators EM EM5000 EM5000 A EM5000-1000016-9999999 AIR CLEANER@BREATHER - D & J Equipment Inc

Ref No
Part Number
Description
Serial Range
Qty
Price

Ref No
1
Part Number
15706-611-000
Description
TUBE, OIL DRAIN
Serial Range
1000001 - 9999999

Ref No
2
Part Number
15712-862-010
Description
TUBE, BREATHER (NOT AVAILABLE)
Serial Range
1000001 - 9999999

Ref No
3
Part Number
15713-862-020
Description
TUBE B, BREATHER (NOT AVAILABLE)
Serial Range
1000001 - 9999999

Ref No
4
Part Number
15720-862-010
Description
STAY, BREATHER
Serial Range
1000001 - 9999999

Ref No
5
Part Number
15772-551-680
Description
CLIP, BREATHER TUBE (NOT AVAILABLE)
Serial Range
1000001 - 9999999
Qty
Price
$8.18

Ref No
6
Part Number
17210-862-030
Description
CASE ASSY., CLEANER
Serial Range
1000001 - 9999999

Ref No
7
Part Number
17212-611-000
Description
WASHER, AIR CLEANER
Serial Range
1000001 - 9999999
Qty
Price
$14.48

Ref No
8
Part Number
17213-862-000
Description
PIPE, INLET
Serial Range
1000001 - 9999999

Ref No
9
Part Number
17214-862-300
Description
POLYURETHANE (NOT AVAILABLE)
Serial Range
1000001 - 9999999

Ref No
10
Part Number
17215-862-000
Description
PLUG (4.5MM) (NOT AVAILABLE)
Serial Range
1000001 - 9999999

Ref No
11
Part Number
17216-862-010
Description
BOOT, CLEANER PIPE
Serial Range
1000001 - 9999999

Ref No
12
Part Number
17220-636-000
Description
ELEMENT, CLEANER (NOT AVAILABLE)
Serial Range
1000001 - 9999999

Ref No
13
Part Number
17220-862-000CB
Description
COVER, AIR CLEANER *NH19M* (DARK GRAY METALLIC) (NOT AVAILABLE)
Serial Range
1000001 - 9999999

Ref No
14
Part Number
17221-636-300
Description
GASKET, ELEMENT (NOT AVAILABLE)
Serial Range
1000001 - 9999999

Ref No
15
Part Number
17251-862-300
Description
GROMMET, AIR CLEANER CONNECTING (NOT AVAILABLE)
Serial Range
1000001 - 9999999

Ref No
16
Part Number
17258-636-300
Description
GASKET, CLEANER CASE
Serial Range
1000001 - 9999999

Ref No
17
Part Number
17271-611-010
Description
CHAMBER, BREATHER (NOT AVAILABLE)
Serial Range
1000001 - 9999999

Ref No
18
Part Number
17272-611-000
Description
GASKET, BREATHER (NOT AVAILABLE)
Serial Range
1000001 - 9999999

Ref No
19
Part Number
17316-611-000
Description
CLIP, BREATHER TUBE
Serial Range
1000001 - 9999999
Qty
Price
$13.04

Ref No
20
Part Number
63380-862-000
Description
VALVE ASSY., HOT AIR
Serial Range
1000415 - 9999999

Ref No
21
Part Number
63385-862-000
Description
SEAL, HOT AIR
Serial Range
1000415 - 9999999

Ref No
22
Part Number
87557-862-670
Description
MARK, AIR FILTER (NOT AVAILABLE)
Serial Range
1000415 - 9999999

Ref No
23
Part Number
90162-292-670
Description
BOLT, FENDER SETTING (NOT AVAILABLE)
Serial Range
1000415 - 9999999

Ref No
24
Part Number
90203-PB2-000
Description
NUT, AIR CLEANER COVER (DACRO COATING)
Serial Range
1000001 - 9999999
Qty
Price
$9.60

Ref No
25
Part Number
90416-500-000
Description
WASHER, FUEL FEED PIPE (NOT AVAILABLE)
Serial Range
1000415 - 9999999

Ref No
26
Part Number
90653-689-000
Description
CIRCLIP (34MM)
Serial Range
1000016 - 1000414

Ref No
27
Part Number
92101-05008-0A
Description
BOLT, HEX. (5X8)
Serial Range
1000415 - 9999999
Qty
Price
$1.04

Ref No
28
Part Number
93500-06012-0A
Description
SCREW, PAN (6X12)
Serial Range
1000001 - 9999999
Qty
Price
$1.20

Ref No
29
Part Number
93903-16010
Description
SCREW, TAPPING (6X10)
Serial Range
1000001 - 9999999

Ref No
30
Part Number
94101-05000
Description
WASHER, PLAIN (5MM)
Serial Range
1000001 - 9999999
Qty
Price
$1.20

Ref No
31
Part Number
95001-55003-60M
Description
BULK HOSE, FUEL (5.5X3000) (95001-550(95001-55001-60M)
Serial Range
1000001 - 9999999
Qty
Price
$66.80

Ref No
32
Part Number
95002-02100
Description
CLIP, TUBE (B10)
Serial Range
1000001 - 9999999
Qty
Price
$2.32

Ref No
33
Part Number
95701-06012-00
Description
BOLT, FLANGE (6X12)
Serial Range
1000001 - 9999999
Qty
Price
$1.98